DDC-WebControl
by Thomas Reger
Home
Anlagen
Kellergeschoss
Heizung
BHKW
Waschraum/Kühlung/ Entfeuchtung
Erdgeschoss
Temperaturen
Dachgeschoss
Einzelraumregelung
Photovoltaik
Lüftungsanlage
Garten
Rasenmäher 1
Rasenmäher 2
Bewässerung
Zähler
Stromzähler
Wasserzähler
Wärmemengenzähler
Betriebsstundenzähler
E-Auto
Ladestation
Wetter
Reports
Energiefluss
Trendkurven gesamt
Sonstiges
Infoseite
WebCams
Konfiguration
Grundeinstellungen
Graphen
Logging
Telefonbuch
Hilfe
Anrufe heute
Aktueller Anrufer:
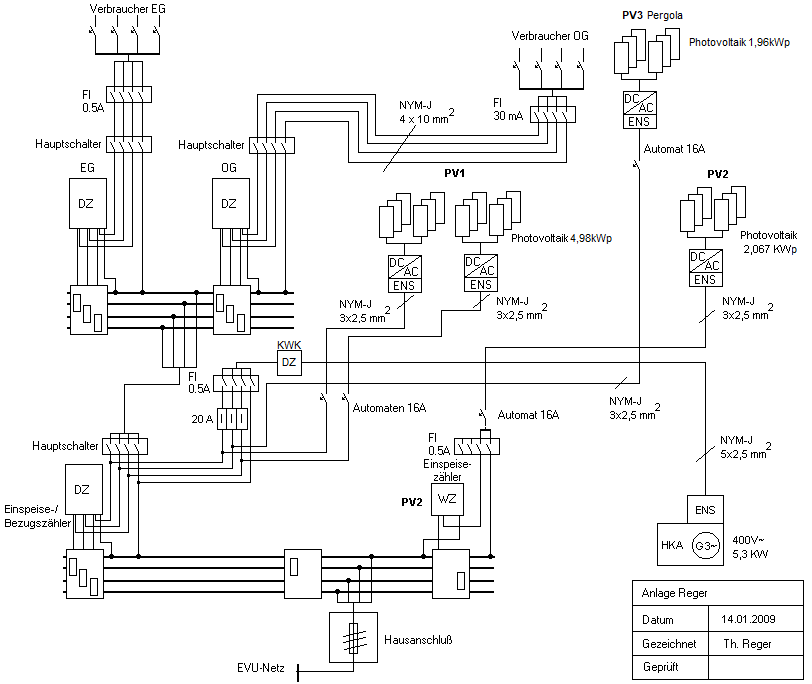
Schaltplan E-Installation
Eingesetzte Hardware
RASPI CPU-Temp.:
ºC
RASPI Auslastung:
%